TKPL系列空气旁路开关
TKPL系列空气旁路开关主要应用于SVG动态无功补偿装置内部,与电力电子器件并联安装,用于在IGBT单元故障时,快速将故障从系统中隔离,保证整体线路的不间断供电。产品额定工作电压为AC1500V,频率50/60Hz.主要额定电流包括500A、630A、800A和1000A,产品支持手动分闸、电动合闸,具备分、合闸状态自保持功能。
所属分类:
关键词:
TKPL系列空气旁路开关
产品详情
产品简介
TKPL系列空气旁路开关主要应用于 SVG 动态无功补偿装置内部,与电力电子器件并联安装,用于在 IGBT 单元故障时,快速将故障从系统中隔离,保证整体线路的不间断供电。产品额定工作电压为 AC1500V,频率 50/60Hz,主要额定电流包括 500A、630A 、800A和1000A,产品支持手动分闸、电动合闸,具备分、合闸状态自保持功能。
主要参数
| 序号 | 项目 | 单位 | 性能参数 |
|---|---|---|---|
| 1 | 额定工作电压 | V | AC1500V |
| 2 | 额定工作电流 | A | 500/630/800/1000 |
| 3 | 额定频率 | Hz | 50/60 |
| 4 | 极数 | / | 1P(单极) |
| 5 | 短时耐受电流 | / | 4Ie(4s) |
| 6 | 额定控制电源电压 | V | DC400 |
| 7 | 动作时间 | ms | ≤15 |
| 8 | 状态信号返回时间 | ms | ≤20 |
| 9 | 机械寿命 | 次 | >1000 |
| 10 | 电气寿命 | 次 | >100 |
| 11 | 绝缘介质 | 空气 | |
| 12 | 分闸方式 | / | 手动分闸 |
| 13 | 合闸方式 | / | 电动合闸 |
| 14 | 状态信号触点 | / | 一组常开,一组常闭(标配) |

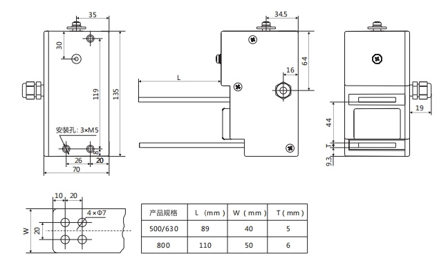
注:铜排尺寸可根据用户需求定制。
相关产品
产品询价
山东泰开电工电器有限公司
服务热线:
0538-8520889
电话:
0538-8520889(销售和市场支持)
0538-5366875(综合部、人力资源部)
邮箱:tkdgdq@163.com
地址:山东省泰安市擂鼓石东大街11号
微信公众号