产品详情
SLVA开关柜专用断路器

TKDW2-1600万能式断路器
TKDW3-H2万能式断路器
TKDM3E系列电子式塑壳断路器
概述
TKDW系列智能型万能式断路器(简称断路器)为全新一代的低压电器产品,断路器适用于交流50Hz/60Hz,额定绝缘电压(Ui)1000V,额定工作电压(Ue)800V及以下,额定电流(In)6300A及以下的配电网络,具有测量、诊断、分析测量、诊断、分析和通讯以及精确的选择性保护和电源监测等功能。
TKDM3E电子式塑壳断路器使用与交流50Hz,额定绝缘电压1000V,额定工作电压690V以下,额定工作电流至800A的电路中,用来分配电能,保护线路及电源设备免受过载、短路和欠电压等故障的危害,用于线路的不频繁转换及电动机的不频繁启动场所。
符合标准
● GB/T 14048.1 低压开关设备和控制设备 总则
● GB/T 14048.2 低压开关设备和控制设备 断路器
● GB/T 14048.4 低压开关设备和控制设备 机电式接触器和电动机起动器
● GB/T 14048.5 低压开关设备和控制设备 机电式控制电路电器
工作环境
● 周围空气温度为-5℃~+40℃;且24h的平均值不超过+35℃
● 安装地点的海拔不超过2000m
● 最高温度+40℃时,空气的相对湿度不超过50%,在较低温度下可以允许有较高的相对湿度,例如20℃时达90%,对由于温度变化偶尔产生的凝露应采取特殊措施
● 污染等级:3级
● 无雨雪侵袭的地方
● 在空气中无爆炸危险的介质且无足以腐蚀金属和破坏绝缘的气体与到点尘埃的地方;
● 断路器应按产品的而是用说明书要求安装和使用;
● 框架断路器安装的垂直斜度不超过5°,塑壳短路安装的最大倾斜度为22.5°;
● 运输和储存条件:-25℃~+55℃;
● 框架断路器主电路及电源变压器初级线圈安装类别为Ⅳ,其余辅助电路、控制电路安装类别为Ⅲ
● 塑壳断路器主电路装类别为Ⅲ,其余辅助电路、控制电路安装类别为Ⅱ
产品结构

1 灭弧室、2 静触头、3 动触头、4 电流互感器、5 智能脱扣器、6 辅助触点、7 电磁铁、8 操纵机构、9 手柄、10 电机

1 基座、2 静触头、3 银点、4 转轴、5 后备保护脱扣器、6 互感器、7 磁通脱扣器、8 灭弧系统、9 上盖、10 操作机构、11 智能控制器
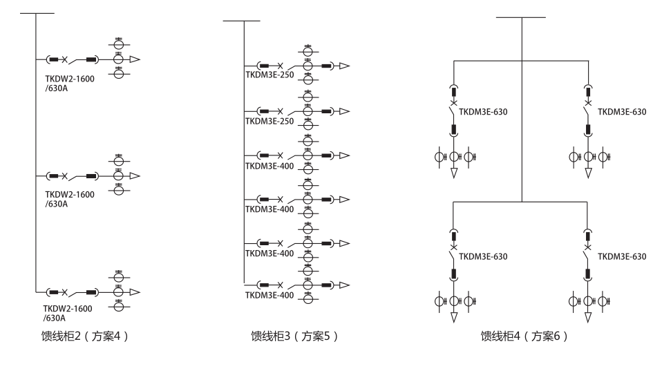
典型设计方案


TKDW万能式断路器
产品型号

保护功能
3H型智能型控制器
| 液晶型 OLED型适用于:-45℃~+70°℃ 3H型基本功能 过载长延时 短路短延时 短路瞬时 电压测量 操作次数记录 通讯 | ○增选功能 电流不平衡保护 MCR及HSISC 负载监控 电网参数历史记忆 功率测量 功率因数测量 电能测量 区域连锁 谐波测量 触头磨损指示 信号触点输入/输出 |
| 过载长延时(多种保护曲线可选) | ||
| I R | I R 1=(0.4~1) In +OFF | |
| t R (s) | 1.5I R 时 | t R = 15~500,OFF |
| 短路短延时 | ||
| I sd | I sd =(1.5~15 )In +OFF | |
| t sd (s) | 0.1~1.0(步长0.1s) | |
| 瞬时 | ||
| I i | I i =(1.0~20 )I n +OFF | |
| t i | ≤30ms | |
| 接地故障 | ||
| I g | I sd =(0.2~1.0 )I n +OFF | |
| t g (s) | 0.1、0.2 、0.3、0.4 | |
参数和性能
| 产品型号 | TKDW2-1600 | TKDW3-20H2 | TKDW3-25H2 | |
| 额定电流In (A) | 200~1600 | 2000 | 2500 | |
| 额定工作电压Ue (V) | AC400V | AC400V | AC400V | |
| 额定绝缘电压Ui (V) | 1000V | 1000V | 1000V | |
| 额定冲击耐受电压Uimp (kV) | 12 | 12 | 12 | |
| 工频耐受电压U (V) 1min | AC5000V 50Hz | AC5000V 50Hz | AC5000V 50Hz | |
| lcu (kA) | 55 | 100 | 100 | |
| lcs (kA) | 50 | 100 | 100 | |
| lcw(kA /1s) | 50 | 100 | 100 | |
| 全分断时间(ms) | ≤30 | ≤30 | ≤30 | |
| 闭合时间 | ≤70 | ≤70 | ≤70 | |
| 电气寿命 | 10000 | 8000 | 8000 | |
| 机械寿命 | 免维护 | 10000 | 10000 | 10000 |
| 有维护 | 20000 | 20000 | 20000 | |
产品特点
| 零飞弧 提高系统运行安全 ● V型灭弧栅片 ● 交错式排列,分割电弧 ● 产气绝缘片,增强气吹 ● 出气口增压结构设计 |
![]() | 可靠性设计 ● 两挡触头设计,高分断、低温升; ● 满足SLVA开关柜标准要求,电气寿命≥10000次,机械寿命≥10000次; ● 桩头镀银厚度:≥4um |
![]() | 防误设计 ● 本体“分闸”位置锁 |
![]() | 灵活的连接方式
注:●表示标准连接方式,○表示可选连接方式 |
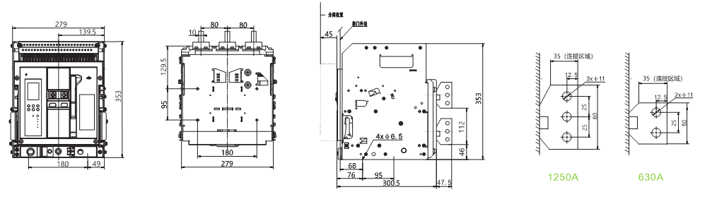
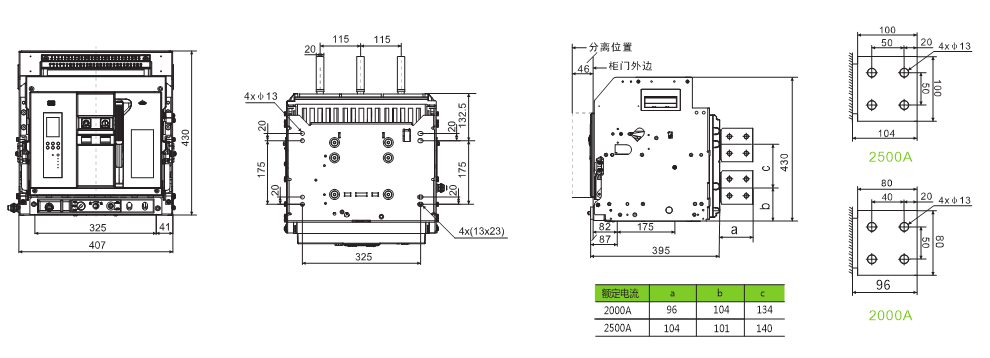
安装尺寸
TKDW2-1600

TKDW3-H2

TKDM3E塑壳断路器
产品选型

保护功能
| 保护功能 | 壳架等级 | 额定电流 | 电流设定值(A) | 动作特性/时间 |
| 过载长延时 | 125 | 32 | lR= 16、20、25、32 | 2IR动作时间(s): tR=12/60/100/150(250A及以上) |
| 63 | lR= 32、36、40、45、50、55、60、63 | |||
| 125 | lR= 63、65、70、75、80、85、90、95、100、125 | |||
| 250 | 250 | lR=100、125、140、160、180、200、225、250 | ||
| 400 | 400 | lR=200、225、250、280、315、350、400 | ||
| 630 | 630 | lR=400、420、440、460、480、500、530、560、600、630 | ||
| 短路短延时 | 125 | 32、63、125 | lsd= (2、2.5、3、4、5、6、7、8、10、12) x IR | 当lsd≤l<1.5lsd时,反时限动作: 当1.5lsd<l<li时,定时限动作: tsd=0.06s, tsd=0.2s, tsd=0.3s, |
| 250 | 250 | |||
| 400 | 400 | |||
| 630 | 630 | |||
| 短路瞬时 | 125 | 32、63、125 | li=(4、6、7、8、10、11、12、13、14)x lR | 动作特性: I≤0.85li,不动作 l>1.15li,动作 |
| 250 | 250 | |||
| 400 | 400 | li=(4、6、7、8、9、10、11、12、14)x lR | ||
| 630 | 630 | |||
| 过载预报警 | 全系列 | 32~800 | lp= (0.7、0.75、0.8、0.85、0.9、0.95、1) x lR | |
| 接地保护 | 125 | 32、63、125 | lg= (0.3、0.4、0.5、0.6、07、0.8) x ln | 动作电流:在0.5lg~lg之间 动作时间:0.4s |
| 250 | 250 | |||
| 400 | 400 | |||
| 630 | 630 |
参数和性能
| TKDM3E-125 | TKDM3E-250 | TKDM3E-400 | TKDM3E-630 | |||||
| 额定电流ln (A) | 32、63、125 | 250 | 400 | 630 | ||||
| 额定工作电压Ue (V) | AC400V | AC400V | AC400V | AC400V | ||||
| 额定绝缘电压Ui (V) | 1000V | 1000V | 1000V | 1000V | ||||
| 额定冲击耐受电压Uimp (V) | 8000V | 8000V | 8000V | 8000V | ||||
| 额定短路分断能力级别 | M | H | M | H | M | H | M | H |
| lcu(kA) | 50 | 85 | 50 | 85 | 65 | 100 | 75 | 100 |
| lcs (kA) | 35 | 50 | 35 | 50 | 42 | 65 | 50 | 65 |
| lcw (kA /1s) | 5 | 5 | 5 | 5 | 5 | 5 | 8 | 8 |
| 电气寿命 | 8000 | 8000 | 7500 | 7500 | ||||
| 机械寿命(免维护) | 15000 | 15000 | 15000 | 15000 | ||||
产品特点
![]() | 结构紧凑、体积小、内部、外部附件齐全 可竖装、横装 可派生过载报警不脱扣 具有隔离功能,其相应的符号为: 具有预报警指示,过载指示 采用模块化附件进行快速安装 高寿命,低温升,高分断,高可靠智能脱扣器 适用于潮湿盐雾,高温,低温等特殊环境 断路器加装零飞罩后实现零飞弧 |
外形和安装尺寸
壳架等级 | 极数 | 外形尺寸 | 安装尺寸 | ||||||||||||
L | L1 | L2 | W | W1 | H | H1 | H2 | H3 | H4 | a | b | j | k | ||
125 | 3P | 150 | 50 | 88 | 92 | 30 | 110 | 29 | 84 | 90 | 94 | 30 | 103 | 129 | 30 |
4P | 122 | ||||||||||||||
250 | 3P | 165 | 64 | 101 | 107 | 35 | 112 | 24 | 85 | 90 | 95 | 35 | 124 | 126 | 35 |
4P | 142 | ||||||||||||||
400 | 3P | 257 | 100 | 172 | 150 | 48 | 151 | 38 | 98 | 107 | 115 | 74 | 202 | 194 | 44 |
4P | 198 | ||||||||||||||
630 | 3P | 280 | 100 | 202 | 210 | 70 | 159 | 45 | 104 | 110 | 120 | 70 | 221 | 243 | 70 |
4P | 280 | ||||||||||||||
相关产品
产品询价
山东泰开电工电器有限公司
服务热线:
0538-8520889
电话:
0538-8520889(销售和市场支持)
0538-5366875(综合部、人力资源部)
邮箱:tkdgdq@163.com
地址:山东省泰安市擂鼓石东大街11号
微信公众号





