TKDB2L-80系列小型漏电断路器
TKDB2L-80系列小型漏电断路器适用于民用住宅、工业、建筑等领域低压终端配电的控制和隔离,对配电线路和电气设备的过载及短路进行保护,亦可对对地漏电和人身直接或间接触电等故障提供保护。
所属分类:
关键词:
TKDB2L-80系列小型漏电断路器
产品详情
适用范围及主要特点
TKDB2L-80系列小型漏电断路器适用于民用住宅、工业、建筑等领域低压终端配电的控制和隔离,对配电线路和电气设备的过载及短路进行保护,亦可对对地漏电和人身直接或间接触电等故障提供保护。
产品选型
| TKD 1 | B2L 2 | - | 80 3 | C 4 | 32 5 | / | 2P 6 | OF1+SD1 7 |
| 序号 | 说明 | 型号含义 |
|---|---|---|
| 1 | 企业代号 | TKD:山东泰开电工电器有限公司 |
| 2 | 产品类别 | B: 小型断路器、2: 设计序号、L: 表示漏电 |
| 3 | 壳架等级 | 80 |
| 4 | 脱扣器特性 | C、D |
| 5 | 额定电流 | 1、2、3、4、6、10、16、20、25、32、40、50、63、80 |
| 6 | 极数 | 1P、2P、3P、4P |
| 7 | 附件代号 | OF1: 辅助触头、SD1: 报警触头、MX+OF: 分励脱扣器 |
符合标准
● GB/T16917.1 GB/T16917.22
脱扣特性
● C型:瞬时脱扣范围(5~10 ) ln ;
● D型︰瞬时脱扣范围(10~20 ) ln。
技术参数
● 额定工作电流(A ) :1、3、6、10、16、20、25、32、40、50、63、80
● 额定工作电压:AC230V ( 1PN、2P) AC40oV ( 3P、3PN、4P)
● 分断能力
| 项 目 | 参 数 |
|---|---|
| 额定短路分断能力Icn | 10kA |
| 额定运行短路分断能力Ics | 7.5kA |
● 机械寿命:10000次
● 额定剩余动作电流:30mA、50mA
注︰剩余动作电流可根据客户要求特殊订制,如:10mA、100mA、300mA等规格。

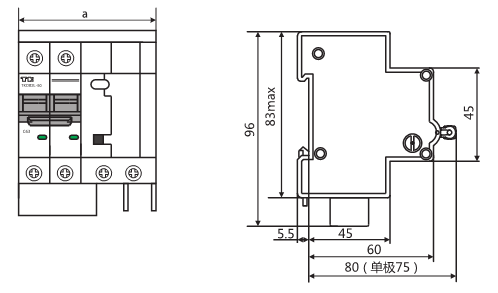
| 规格 | 1PN | 2P | 3P | 3PN | 4P |
|---|---|---|---|---|---|
| a | 54 | 72 | 103 | 117 | 135 |
工作环境
安装地点的海拔高度不可超过2000m
环境温度:-35℃~+70℃
防护等级:IP20
抗湿热性∶2类(温度55℃时,相对湿度95% )
无显著振动和冲击的地方。
接线能力
25mm2及以下导线
安装方式
TH35mm标准轨道,安装简捷方便。
相关产品
产品询价
山东泰开电工电器有限公司
服务热线:
0538-8520889
电话:
0538-8520889(销售和市场支持)
0538-5366875(综合部、人力资源部)
邮箱:tkdgdq@163.com
地址:山东省泰安市擂鼓石东大街11号
微信公众号