TKDGQ系列自恢复式过欠压保护器
所属分类:
关键词:
TKDGQ系列自恢复式过欠压保护器
产品详情

适用范围
TKDGQ系列自恢复式过欠压保护器是根据目前市电状况开发的保护装置。当电压高于或者低于保护器动作电压时,保护器能迅速、可靠地切断负载电源,以确保电器及人生安全。当市电电压恢复正常时,保护器经延时后自动接通电源,能有效保护电器在电源瞬间通电的冲击,所有功能全无需人力操作,程序自动控制。
产品选型
| TKD 1 | GQ 2 | - | 63 3 | / | 2P 4 | 32 5 |
| 序号 | 说明 | 型号含义 |
|---|---|---|
| 1 | 企业代号 | TKD:山东泰开电工电器有限公司 |
| 2 | 产品类别 | GQ: 过欠压保护器 |
| 3 | 壳架等级 | 63 |
| 4 | 极数 | 2P、4P |
| 5 | 额定电流 | 32、40、50、63 |
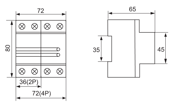
外形尺寸

接线能力
25mm2及以下导线
安装方式
TH35mm标准轨道,安装简捷方便。
接线方式

(下进线接线图) (上进线接线图) (1P接线图)
技术参数
| 产品规格 | 二相过欠压 | 三相过欠压 + 缺相 三相四线过欠压 + 缺相 |
|---|---|---|
| 额定电流In(A) | 32、40、50、63 | 32、40、50、63 |
| 额定电压 | AC 230V | AC 400V |
| 额定频率 | 50Hz | 50Hz |
| 过压启动值 | 275±5V | 480±15V |
| 常压恢复值 | 240~260V | 420~440V |
| 欠压启动值 | 170±5V | 280±15V |
| 常压恢复值 | 190±5V | 335±10V |
| 过欠压启动时间 | ≤60s | ≤60s |
| 自身功耗 | <1W | <2W |
| 电气机械寿命 | >10万次 | >10万次 |
电源指示:绿色 保护指示:红色
工作环境
1、海拔高度不超过2000m;
2、周围空气温度-25℃~+55°℃;
3、安装场所污染等级允许按GB/T 14048.1中6.1.3.2中规定的污染等级2。
接线能力
25mm2及以下导线
安装方式
TH35mm标准轨道,安装简捷方便。
接线方式

(下进线接线图) (上进线接线图) (1P接线图)
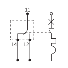
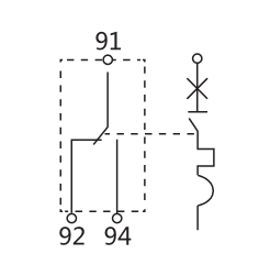
辅助/报警触头

辅助接线示意图,图示为断路器合闸时

报警接线示意图,图示为断路器合闸时
辅助触头:装于小型断路器左侧,用于指示断路器的分合闸状态,输出无源信号;
报警触头∶装于小型断路器左侧,用于在断路器故障分闸时,给出无源报警信号。
| 附件名称 | 适配断路器 |
|---|---|
| OF辅助触头 | TKDB1-63、TKDB1-125 |
| SD报警触头 | TKDB1L-63、TKDB1L-125 |
| OF2辅助触头 | TKDB2Z-63 |
| SD2报警触头 | TKDB2Z-63 |
辅助/报警触头技术参数:
| 额定工作电压(V) | 额定电流(A) | 宽度(mm ) |
|---|---|---|
| AC400 | 3 | 9 |
| AC230 | 6 | |
| DC125 | 1 | |
| DC48 | 2 | |
| DC24 | 6 |
接线能力
单线∶2.5mm2 双线︰1.5mm2
备注:订购相应附件时,需注明其具体的产品型号。
示例:TKDB1-63/2P/C63+OF
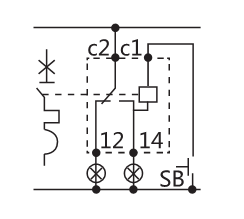
MX+OF分励脱扣器

在得到信号后,触发与之拼装的断路器脱扣
指示断路器通断状态
电源电压等于额定控制电源电压的70%~110%之间白任一电压时,保证断路器可靠分断。
脱扣功率消耗︰
| 电压(AC或DC) | 功率消耗 | 宽度(mm) |
|---|---|---|
| AC 230V/400V | 40VA | 18 |
| DC 24V/48V | 45W |
MX+OF分励脱扣器为短时工作制,线圈通电时间≤1秒
备注:订购相应附件时,需注明其具体的产品型号。
示例:TKDB1-63/2P/C63+(MX+OF)
安装说明

(SD报警触头) (OF辅助触头) (断路器) (MX+OF分励脱扣器)
相关产品
产品询价
山东泰开电工电器有限公司
服务热线:
0538-8520889
电话:
0538-8520889(销售和市场支持)
0538-5366875(综合部、人力资源部)
邮箱:tkdgdq@163.com
地址:山东省泰安市擂鼓石东大街11号
微信公众号