TKDQ3系列自动转换开关
所属分类:
关键词:
TKDQ3系列自动转换开关
产品详情
适用范围
TKDQ3系列自动转换开关主要用于交流 50Hz,额定工作电压 400V,额定电流 16A至 3200A的配电或电动机网络中一主一备或互为备用电源切换系统及市电和发电机组的负荷切换。同时可用于不频繁接通和分断电路的隔离之用。产品广泛应用于消防、医院、银行、高层建筑等不允许断电的重要供电场所的输、配电系统及自动化系统。
符合标准
IEC60947-1 GB/T 14048.1 低压开关设备和控制设备 总则
IEC60947-6-1 GB/T 14048.11 低压开关设备和控制设备 多功能电器 转换开关电器
工作环境和安装条件
周围空气温度不超过+40℃,且24h的平均值不超过+35℃,周围空气温度下限为-5℃;注:对于使用在周围空气温度高于+40℃或低于-5℃的工作条件,用户应与本公司协商;
安装地点的海拔不超过2000m;
最高温度为+40℃时,空气的相对湿度不超过50%,在较低温度下可允许有较高的相对湿度,例如20℃时达到90%,对由于温度变化偶尔产生的凝露应采取特殊的措施;
在空气中无爆炸危险的介质且无足以腐蚀金属和破坏绝缘的气体与导电尘埃的地方·无雨雪侵袭的地方;
污染等级为3级;
断路器安装的最大倾斜度为±22.5°;
安装类别:断路器主电路的安装类别为亚,不接至主电路的辅助电路和控制电路安装类别为Ⅱ;
断路器应按产品的使用说明书要求安装和使用;
性能及特点
采用双列复合式触头\横拉式机构\微电机预储能及微电子控制技术,基本实现零飞弧;
采用可靠的机械联锁和电气联锁,执行元器件采用独立的负荷隔离开关,使用安全可靠;
采用过零位技术,紧急情况下可强制置零(同时切断两路电源),满足消防联动需要;
执行负荷隔离开关切换采用单一电动机驱动,切换可靠平稳、无嗓音、冲击力小;
操作器驱动电机只在执行负荷隔离开关切换瞬间通过电流,稳态工作无需提供工作电流,节能显著;
执行负荷隔离开关带有机械联锁装置,保证常用、备用电源工作可靠互不干涉;
具有明显通断位置指示、挂锁等功能,可靠实现电源与负载间的隔离;
安全性能好,自动化程度高,可靠性高,使用寿命8000次以上;
机电一体化设计,开关转换准确、灵活、顺畅,采用国际先进的逻辑控制技术,抗干扰能力强,对外无干扰;
具有主电源合、备用电源分;主电源分、备用电源合;主、备电源均断开三种稳定工作(1-0-);
安装方便,控制回路采用接插式端子连接;
四种操作功能:紧急手动操作、电动远程控制操作、自动控制状态时紧急断开操作、自动控制操作。
型号及含义
| TKD 1 | Q 2 | 3 3 | - | 250 4 | C 5 | / | 3P 6 | 250A 7 | R 8 | 一体式 9 | □ 10 |
| 序号 | 说明 | 型号含义 |
|---|---|---|
| 1 | 企业代号 | TKD:山东泰开电工电器有限公司 |
| 2 | 产品类别 | Q: 自动转换开关 |
| 3 | 设计序号 | 3 |
| 4 | 壳架等级 | 见主要技术参数表 |
| 5 | 控制器代号 | C、D、E、F |
| 6 | 极数 | 3P、4P |
| 7 | 额定电流 | 见主要技术参数表 |
| 8 | 控制器功能代号 | R: 自投自复、S: 自投不自复、F: 电网对发电机 |
| 9 | 产品结构 | 一体式、分体式 |
| 10 | 可选功能 | 见主要技术参数表 |
控制器功能参数表
| 项目\型号 | C型 | D型 | E型 | F型 |
|---|---|---|---|---|
| 控制工作电压 | AC230V 50/60Hz | |||
| 辅助工作电源电压 | DC 24V | |||
| 电压测量范围 | 40~300V | |||
| 功耗 | ≤ 10W | |||
| 工作位置 | (常用合闸、备用合闸、双分) 三个工作位置 | |||
| 操作方式 | 手动、自动 | 手动、自动、远程操控 | 手动、自动 | |
| 显示方式 | LED 发光管状态显示 | LCD 显示屏显示 | LED 发光管状态显示 | |
| 转换方式 | 自投自复 | 自投自复 / 自投不自复 | ||
| 欠电压转换值 | 187V | 160~200V 可调 | 187V | |
| 过电压转换值 | 263V | 240~290V 可调 | 263V | |
| 电源欠频 / 过频检测 | 无 | 40Hz ~ 60Hz 可调 | 无 | |
| 定时启动功能 | 无 | 定时转换,定时启动发电机 | 无 | |
| 转换延时功能 | 0 | 0~300s 连续可调 | 0 | |
| 返回延时功能 | 0 | 0~300s 连续可调 | 0 | |
| 缺相检测 | (A、B、C) 三相检测 | |||
| 电源过欠压错相报警输出 | 无 | 常备用各一组常开干接点 | ||
| 发电机控制 | 有 (一组继电器干接点) | 无 | ||
| 消防联动控制 | 消防切非 (无源触点输入,带一组常开无源信号反馈点) | 强制常用、备用、双分 (无源输入) | ||
| 开关故障报警 | 无 | 有 (带一组继电器干接点) | ||
| 隔离锁定 | 断开位置具有隔离功能,同时可挂锁锁定 | |||
| RS485 通信功能 | (默认无) 可选配 | 无 | ||
| 安装方式 | 一体式 (不带显示屏) / 分体式 (带显示屏) 可选配 | |||
控制器型号说明︰
C型:三相取样功能、消防功能
D型:三相取样带消防功能、通信功能
E型:三相取样带消防功能、定时转换、定时启动发电机
F型:消防专用
主要技术性能参数
●TKDQ3 -100~1600A系列自动转换开关电气性能与机械性能
| 规格型号 | TKDQ3-100 | TKDQ3-160 | TKDQ3-250 | TKDQ3-630 | TKDQ3-800 | TKDQ3-1000 | TKDQ3-1250 | TKDQ3-1600 |
|---|---|---|---|---|---|---|---|---|
| 额定工作电流 le(A) | 16、20、25、32、40、50、63、80、100 | 125、140、160 | 200、225、250 | 315、400、500、630 | 800 | 1000 | 1250 | 1600 |
| 额定短路接通能力 Icm(kA) 峰值 | 8 | 17 | 17 | 26 | 55 | |||
| 额定绝缘电压 Ui(V) | 690 | |||||||
| 额定耐受冲击电压 Uimp (kV) | 8 | |||||||
| 额定限制短路电流 Iq(kA) | 120 | |||||||
| 转换时间 | 1.7 | 2.3 | 3.1 | 2.1 | 2.6 | |||
| 触头转换时间 | 0.7 | 1 | 1.2 | 0.8 | 1 | |||
| 使用类别 | AC-33iB (PC级) | AC-32B (PC级) | ||||||
接线示意图 
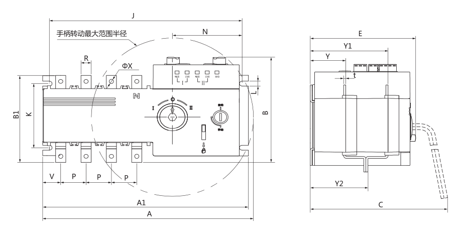
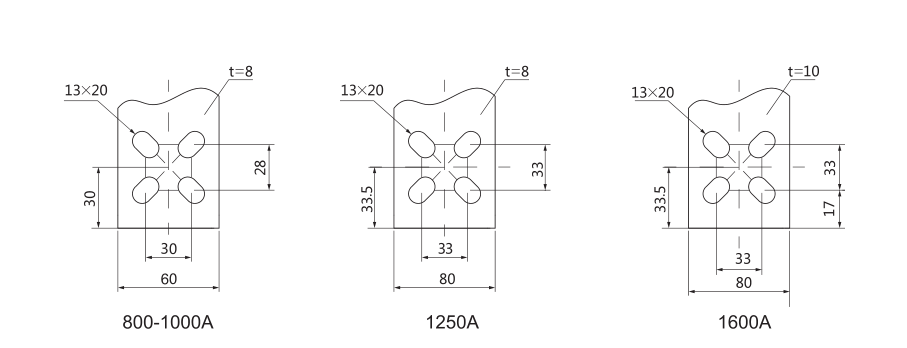
外形和安装尺寸 

| 壳架等级 | 外形尺寸(mm) | 安装尺寸(mm) | ||||||||||||||||
|---|---|---|---|---|---|---|---|---|---|---|---|---|---|---|---|---|---|---|
| Inm | A | A1 | B | B1 | C | E | J | K | L | N | P | R | V | ΦX | Y | Y1 | Y2 | t |
| TKDQ3-100 | 330 | 244 | 142 | 123 | 165 | 125 | 228 | 85 | 6.5 | 83 | 30 | 14 | 21 | 6.5 | 41.5 | 91.5 | 43 | 2.5 |
| TKDQ3-160 | 374 | 301 | 175 | 140 | 200 | 166 | 285 | 102 | 7 | 94 | 36 | 20 | 31 | 8.5 | 55.5 | 125.5 | 92.5 | 3.5 |
| TKDQ3-250 | 436 | 373 | 175 | 178 | 250 | 198 | 350 | 108 | 6.5 | 105 | 50 | 24 | 37 | 11 | 72 | 157 | 116 | 3.5 |
| TKDQ3-630 | 502 | 433 | 260 | 260 | 295 | 244 | 416 | 180 | 9 | 101 | 65 | 40 | 47.5 | 12 | 83 | 193 | 140 | 5 |
| TKDQ3-800 | 1050 | 636 | 365 | 355 | 373 | 320 | 612 | 220 | 11 | 83.5 | 120 | 60 | 71 | 13 | 109 | 241 | 105 | 8 |
| TKDQ3-1000 | ||||||||||||||||||
| TKDQ3-1250 | 1050 | 636 | 375 | 366 | 373 | 320 | 612 | 220 | 11 | 83.5 | 120 | 60 | 71 | 13 | 109 | 241 | 106 | 8 |
| TKDQ3-1600 | 1050 | 636 | 375 | 366 | 373 | 320 | 612 | 220 | 11 | 83.5 | 120 | 60 | 71 | 13 | 109 | 241 | 106 | 10 |
相关产品
产品询价
山东泰开电工电器有限公司
服务热线:
0538-8520889
电话:
0538-8520889(销售和市场支持)
0538-5366875(综合部、人力资源部)
邮箱:tkdgdq@163.com
地址:山东省泰安市擂鼓石东大街11号
微信公众号